Descripción
Parámetros técnicos
Introducción al producto
87WF01G - E GJR2372600R1515 Sirve para acoplar módulos de control a la sala de control. Se usa cada vez que el botón Push --- comandos de los módulos de control o las señales de la lámpara de los módulos de control se transfieren a través del bus.
El módulo incorpora cuatro unidades de función con tres entradas de botón Push y tres salidas de lámparas cada una. Dos unidades de función pueden, en cada caso, interconectarse. Dicha combinación permite que el módulo se comunique con los módulos de control que tienen cuatro entradas de botón de empuje y cuatro salidas de lámparas.
Especificaciones técnicas
|
Fabricar |
TEJIDO |
|
Modelo |
87WF01G - e |
| Número de parte | GJR2372600R1515 |
|
Descripción |
Módulo de acoplamiento de la sala de control |
|
Origen |
Suiza/ Alemania |
|
Dimensión |
30*22*5cm |
|
Peso |
0,45 kg |
Detalles del producto
87WF 01 -- E/R1515 Módulo de acoplamiento de la sala de control para secciones operativas de grupos y unidades, 4 veces la salida de lámpara 2.4 W o pantalla LED.
Características:
87WF01G se puede conectar a cualquier estación de procesamiento multi --- de propósito del sistema de bus de procontrol. Incorpora una interfaz estándar en el bus de la estación de procontrol.
87WF01G verifica los telegramas recibidos a través de StationBus por error --- Transferencia gratuita basada en sus bits de paridad. A los telegramas enviados por el módulo al bus de la estación se les asignan bits de paridad para garantizar un error --- Transferencia gratuita.
Para la comunicación con la consola del operador, 87WF01G requiere el siguiente voltaje:
Voltaje operativo de EE. UU. +24 V
Dividirse internamente en la fuente de alimentación para
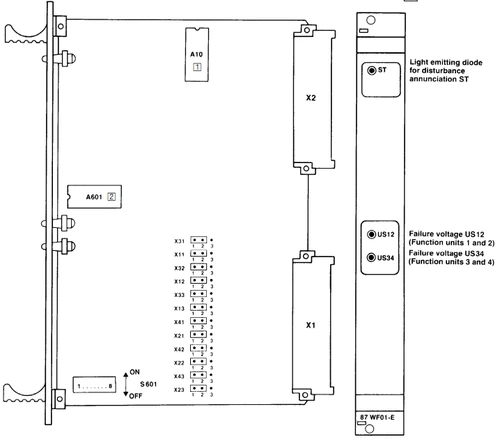
US12 Pushbutton de unidades de función 1 y 2
US34 Pushbutton de unidades de función 3 y 4
El voltaje de funcionamiento de EE. UU. Y las salidas de la lámpara están relacionadas con el conductor de referencia Z. El voltaje de operación UD+ está relacionado con el conductor de referencia ZD.Los voltajes operativos US12 y US34 son cortos --- Circuito ---prueba con típicamente 100 mA a 24 V y, por lo tanto, requiere separadofusibles.
Modos de funcionamiento:Las cuatro unidades de funciones de 87WF01G pueden funcionar en elsolo o en el modo doble. Cambio entre operacionesLos modos se efectúan con interruptores.
Modo único:En modo único, cada unidad de función funciona por separado. TresPushbuttons, TX1, TX2 y TX3, y tres lámparas, LX1, LX2 yLx3, se puede conectar a cada unidad de función (x=no .. de laUnidad de función).
Modo doble:En el modo doble, las unidades de función 1 y 2, y/o 3 y 4 estánconjunto. De esta manera, una cuarta entrada de botón o un cuartoLa salida de la lámpara se asigna a las unidades de función 1 y 3. El cuartoLa entrada de botón de empuje corresponde a la entrada de botón de botón T21 y/oT41, mientras que la cuarta salida de la lámpara corresponde a la salida de la lámparaL21 y/o L41 de las unidades de función 2 y 4.
Diseño mecánico:
Tamaño de la junta: 6 unidades, 1 división, 160 mm de profundidad
Conector: 1 x para la estación --- Conexión del autobús,
48 --- polo, conector de borde tipo F
(Conector X2)
1 x para la conexión de la sala de control,
32 --- polo, conector de borde tipo F
(Conector X1)













